Sumber:electronicdesign.com
Arsitektur Sistem Manajemen Baterai
Sistem manajemen baterai (BMS) biasanya terdiri dari beberapa blok fungsional, termasuk pemancar efek medan cutoff (FET), monitor pengukur bahan bakar, monitor voltase sel, keseimbangan voltase sel, jam waktu nyata, monitor suhu, dan mesin negara(Gbr. 1). Beberapa jenis IC BMS tersedia.

Pengelompokan blok fungsional sangat bervariasi dari ujung depan analog sederhana, seperti ISL94208 yang menawarkan penyeimbangan dan pemantauan dan memerlukan mikrokontroler, hingga solusi terintegrasi mandiri yang berjalan secara mandiri (misalnya, ISL94203). Sekarang mari kita periksa tujuan dan teknologi di balik setiap blok, serta pro dan kontra dari masing-masing teknologi.
Cutoff FET dan Driver FET
Blok fungsional driver FET bertanggung jawab atas koneksi dan isolasi paket baterai antara beban dan pengisi daya. Perilaku driver FET didasarkan pada pengukuran dari tegangan sel baterai, pengukuran arus, dan sirkuit deteksi waktu nyata. Gambar 2 mengilustrasikan dua jenis koneksi FET yang berbeda antara beban dan pengisi daya, dan baterai.
Gambar 2A memerlukan jumlah koneksi paling sedikit ke unit baterai dan membatasi mode pengoperasian unit baterai untuk mengisi daya, mengosongkan, atau tidur. Arah aliran arus dan perilaku pengujian waktu nyata tertentu menentukan status perangkat.
2. Ditampilkan adalah skema FET cutoff untuk koneksi tunggal antara beban dan pengisi daya (A), dan koneksi dua terminal yang memungkinkan untuk pengisian dan pemakaian simultan (B).


Misalnya, ISL94203 memiliki monitor saluran (CHMON) yang memantau tegangan di sisi kanan FET cutoff. Jika pengisi daya tersambung dan unit baterai diisolasi darinya, arus yang disuntikkan ke unit baterai akan menyebabkan tegangan naik ke tegangan suplai maksimum pengisi daya. Level tegangan pada CHMON tersandung, yang memungkinkan perangkat BMS mengetahui pengisi daya ada. Untuk menentukan koneksi beban, arus disuntikkan ke beban untuk menentukan apakah ada beban. Jika tegangan pada pin tidak naik secara signifikan saat menyuntikkan arus, hasilnya menentukan bahwa ada beban. DFET driver FET kemudian menyala. Skema koneksi pada Gambar 2B memungkinkan baterai beroperasi saat mengisi daya.
Driver FET dapat dirancang untuk terhubung ke sisi tinggi atau rendah dari baterai. Koneksi sisi tinggi memerlukan driver pompa pengisian daya untuk mengaktifkan FET NMOS. Saat menggunakan driver high-side, ini memungkinkan referensi ground yang solid untuk sisa sirkuit. Koneksi driver FET sisi rendah ditemukan di beberapa solusi terintegrasi untuk mengurangi biaya, karena tidak memerlukan pompa pengisian daya. Mereka juga tidak memerlukan perangkat bertegangan tinggi, yang menghabiskan area mati yang lebih besar. Menggunakan FET cutoff di sisi rendah mengapungkan koneksi ground paket baterai, membuatnya lebih rentan terhadap kebisingan yang disuntikkan ke dalam pengukuran. Ini mempengaruhi kinerja beberapa IC.
Pengukur Bahan Bakar/Pengukuran Arus
Blok fungsional pengukur bahan bakar melacak muatan yang masuk dan keluar dari unit baterai. Muatan adalah produk dari arus dan waktu. Beberapa teknik berbeda dapat digunakan saat merancang pengukur bahan bakar.
Penguat arus dan MCU dengan konverter analog-ke-digital (ADC) resolusi rendah tertanam adalah salah satu metode pengukuran arus. Penguat arus-sense, yang beroperasi di lingkungan mode umum tinggi, memperkuat sinyal, memungkinkan pengukuran resolusi lebih tinggi. Namun, teknik desain ini mengorbankan rentang dinamis.
Teknik lain menggunakan ADC resolusi tinggi, atau IC pengukur bahan bakar yang mahal. Memahami konsumsi arus perilaku beban versus waktu menentukan jenis desain pengukur bahan bakar terbaik.
Solusi paling akurat dan hemat biaya adalah mengukur tegangan melintasi resistor indera menggunakan ADC 16-bit atau lebih tinggi dengan offset rendah dan peringkat mode umum tinggi. ADC resolusi tinggi menawarkan rentang dinamis yang besar dengan mengorbankan kecepatan. Jika baterai terhubung ke beban yang tidak menentu, seperti kendaraan listrik, ADC yang lambat mungkin melewatkan lonjakan arus berkekuatan tinggi dan frekuensi tinggi yang dikirimkan ke beban.
Untuk beban yang tidak menentu, ADC successive-approximate-register (SAR) mungkin lebih diinginkan. Kesalahan offset apa pun memengaruhi kesalahan keseluruhan dalam jumlah pengisian daya baterai. Kesalahan pengukuran dari waktu ke waktu akan menyebabkan kesalahan status pengisian baterai yang signifikan. Offset pengukuran 50 V atau kurang dengan resolusi 16-bit sudah memadai saat mengukur muatan.
Tegangan Sel dan Memaksimalkan Masa Pakai Baterai
Memantau voltase sel setiap sel dalam kemasan baterai sangat penting untuk menentukan kesehatannya secara keseluruhan. Semua sel memiliki jendela tegangan operasi di mana pengisian/pengosongan harus dilakukan untuk memastikan pengoperasian dan masa pakai baterai yang tepat. Jika aplikasi menggunakan baterai dengan bahan kimia litium, tegangan operasi biasanya berkisar antara 2,5 dan 4,2 V. Rentang tegangan bergantung pada bahan kimia. Mengoperasikan baterai di luar rentang tegangan secara signifikan mengurangi masa pakai sel dan dapat membuatnya tidak berguna.
Sel-sel dihubungkan secara seri dan paralel untuk membentuk paket baterai. Sambungan paralel meningkatkan drive paket baterai saat ini, sementara sambungan seri meningkatkan tegangan keseluruhan. Performa sel memiliki distribusi: Pada waktu sama dengan nol, tingkat pengisian dan pengosongan sel baterai adalah sama. Karena setiap siklus sel antara pengisian dan pengosongan, laju pengisian dan pengosongan setiap sel berubah. Ini menghasilkan distribusi yang tersebar di seluruh paket baterai.
Cara sederhana untuk menentukan apakah paket baterai terisi daya adalah dengan memantau tegangan setiap sel ke tingkat tegangan yang ditetapkan. Tegangan sel pertama yang mencapai batas tegangan melebihi batas pengisian baterai. Paket baterai sel yang lebih lemah dari rata-rata menghasilkan sel terlemah yang mencapai batas terlebih dahulu, menjaga sisa sel dari pengisian penuh.
Skema pengisian daya, seperti yang dijelaskan, tidak memaksimalkan waktu AKTIF paket baterai per pengisian daya. Skema pengisian daya mengurangi masa pakai baterai karena memerlukan lebih banyak siklus pengisian dan pengosongan. Sel yang lebih lemah melepaskan lebih cepat. Juga terjadi pada siklus debit; sel yang lebih lemah melewati batas debit terlebih dahulu, meninggalkan sisa sel dengan muatan yang tersisa.
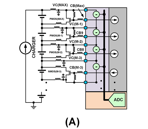
Ada dua cara untuk meningkatkan waktu AKTIF per pengisian baterai. Yang pertama adalah memperlambat muatan ke sel terlemah selama siklus pengisian. Ini dicapai dengan menghubungkan FET bypass dengan resistor pembatas arus melintasi sel(Gbr. 3A). Dibutuhkan arus dari sel dengan arus tertinggi, menghasilkan muatan sel yang melambat. Akibatnya, sel paket baterai lainnya dapat mengejar ketinggalan. Tujuan utamanya adalah untuk memaksimalkan kapasitas pengisian baterai dengan membuat semua sel secara bersamaan mencapai batas yang terisi penuh.
3. Lewati FET penyeimbang sel membantu memperlambat laju pengisian sel selama siklus pengisian daya (A). Penyeimbangan aktif digunakan selama siklus pengosongan untuk mencuri muatan dari sel yang kuat dan memberikan muatan ke sel yang lemah (B).


Metode kedua adalah menyeimbangkan paket baterai pada siklus pengosongan dengan menerapkan skema perpindahan muatan. Ini dicapai dengan mengambil alih daya melalui kopling induktif atau penyimpanan kapasitif dari sel alfa dan menyuntikkan muatan yang tersimpan ke dalam sel terlemah. Ini memperlambat waktu yang dibutuhkan sel terlemah untuk mencapai batas debit, atau dikenal sebagai penyeimbangan aktif(Gbr. 3B).
Pemantauan Suhu
Baterai saat ini memberikan banyak arus sambil mempertahankan tegangan konstan. Hal ini dapat menyebabkan kondisi pelarian yang menyebabkan baterai terbakar. Bahan kimia yang digunakan untuk membuat baterai sangat mudah menguap—baterai yang tertusuk benda yang tepat juga dapat membuat baterai terbakar. Pengukuran suhu tidak hanya digunakan untuk keselamatan, tetapi juga dapat menentukan apakah perlu untuk mengisi daya atau mengosongkan baterai.
Sensor suhu memantau setiap sel untuk aplikasi sistem penyimpanan energi (ESS) atau pengelompokan sel untuk aplikasi yang lebih kecil dan lebih portabel. Termistor yang ditenagai oleh referensi tegangan ADC internal biasanya digunakan untuk memantau suhu setiap rangkaian. Selain itu, referensi tegangan internal membantu mengurangi ketidakakuratan pembacaan suhu versus perubahan suhu lingkungan.
Mesin Negara atau Algoritma
Sebagian besar sistem BMS memerlukan mikrokontroler (MCU) atau field-programmable gate array (FPGA) untuk mengelola informasi dari sirkuit penginderaan, dan kemudian membuat keputusan dengan informasi yang diterima. Pada perangkat tertentu, seperti ISL94203, algoritme yang dikodekan secara digital memungkinkan solusi mandiri dengan satu chip. Solusi mandiri juga berharga saat dikawinkan dengan MCU, karena state machine mandiri dapat digunakan untuk mengosongkan siklus jam dan ruang memori MCU.
Blok Bangunan BMS lainnya
Blok BMS fungsional lainnya mungkin termasuk otentikasi baterai, jam waktu nyata (RTC), memori, dan rantai daisy. RTC dan memori digunakan untuk aplikasi kotak hitam—RTC digunakan sebagai cap waktu dan memori digunakan untuk menyimpan data. Ini memungkinkan pengguna mengetahui perilaku paket baterai sebelum peristiwa bencana. Blok otentikasi baterai mencegah elektronik BMS terhubung ke paket baterai pihak ketiga. Referensi/regulator tegangan digunakan untuk memberi daya pada sirkuit periferal di sekitar sistem BMS. Akhirnya, sirkuit daisy-chain digunakan untuk menyederhanakan koneksi antara perangkat yang ditumpuk. Blok rantai daisy menggantikan kebutuhan akan skrup optik atau sirkuit pemindah level lainnya.







